Diverses: Signalverlängerung
Diverses: Signalverlängerung
     


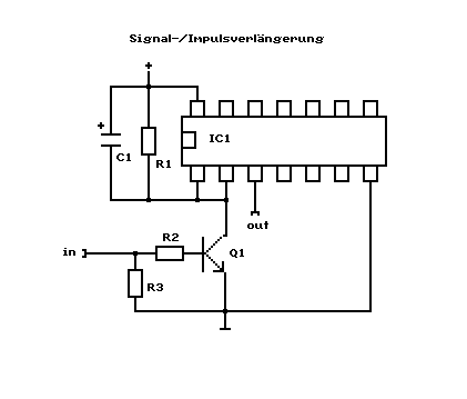
Beschreibung

Diese Schaltung verlängert ein High-Signal (oder auch Impuls, wenn er nicht zu kurz ist) um einige Sekunden. Treffen während der Verlängerungszeit neue Impulse ein, so wird die Schaltung retriggert, d.h., die Zeit beginnt ab Ende des Eingangssignals erneut abzulaufen.

Für die Zeit verantwortlich sind R1 und C1. Fällt das Eingangssignal wieder auf low, wird der Kondensator über den Widerstand langsam entladen. Unterschreitet die Spannung am Eingang des mit dem NAND aufgebauten Inverters, so wird der Ausgang von high auf low gesetzt.

Die in der Bauteilliste genannten Werte für C1 und R1 verlängern bei einer Versorgungsspannung von 12 Volt den Signaleingang um ca. 2 Sekunden. Der Wert des Widerstandes sollte 100k Ohm nicht überschreiten, um dem Eingang des Invertes noch auf high zu halten. Ebenfalls sollte die Kapazität des Kondesators im Hinblick auf den Aufladestrom, der kurzzeitig durch den Transistor fließt, nicht zu groß ausfallen.


Anschlüsse

Eingang: High-Impuls
Ausgang: High-Impuls (CMOS-kompatibel)
Versorgungsspannung: 5-12 V= (stab.)


Bauteile
 BauteilWertBeschreibung
IC1CMOS-Logik-IC40934x NAND mit Schmitt-Trigger
C1Elko47µF, 16VZeit, siehe Beschreibung
R1Widerstand47k OhmZeit, siehe Beschreibung
R2Widerstand47k OhmBasis-Vorwiderstand
R3Widerstand100k OhmBasis-Pulldown
Q1npn-TransistorBC548B 

Schaltbild
Schaltbild

» Schaltbild als PDF herunterladen

Hinweis

Im Prinzip kann diese Schaltung durch ein retriggerbares Monoflop (z.B. mit MOS 4538) ersetzt werden.



Letzte Aktualisierung dieser Seite: 29.09.2013, 17:36 Uhr